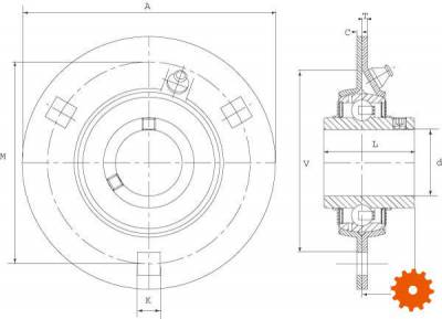
Lagerhuis kunstof corrotect GLCTE20TVFA1255
€ 87,18
Excl. BTW
Productadvies & Klantenservice 085-9020804 bereikbaar op werkdagen tussen 8.00 en 16.30.



